WELCOME TO THE NEW APW-INC.COM
•
CLOSED FOR THANKSGIVING HOLIDAY 11/24-11/30
•
FREE SHIPPING ON ORDERS OVER $119
0
Cart
0 /
$0.00
Product
Qty
Price
Cart
Checkout
menu
description
How to find my pressure washer model number
description
How to find the correct parts for my model
description
How to choose the correct replacement pump
SHOP BY CATEGORY
PARTS BY MODEL
HOW-TO LIBRARY
SERVICE
FAQS
ABOUT US
NOZZLE CALCULATOR
CONTACT US
COLEMAN POWERMATE, PW0832217
COLEMAN POWERMATE
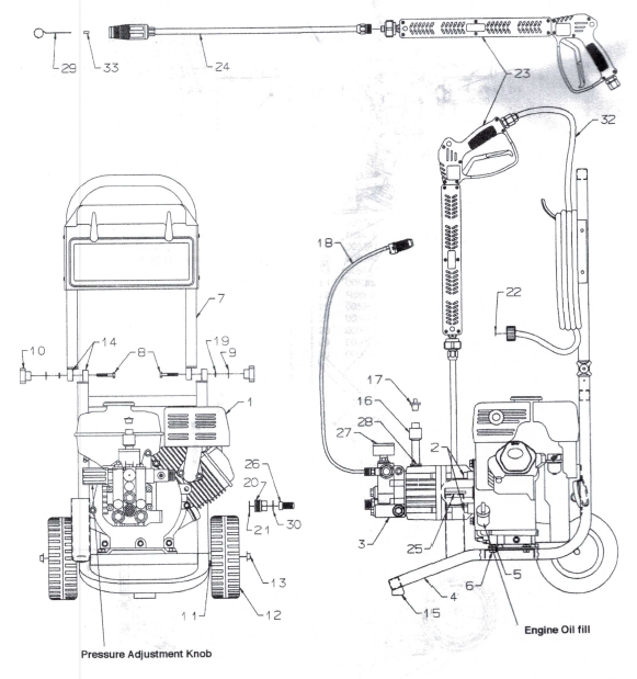
COLEMAN POWERMATE, PW0832217
EXPLODED DIAGRAM
REPAIR PARTS
Accessories
Documents
Technical Specifications
Videos
More info
Accessories
Documents
Technical Specifications
Videos
Accessories
Documents
Illustrated Parts List
COLEMAN POWERMATE, PW0832217
Technical Specifications
Videos
Accept
Your session has been terminated due to inactivity, please login again.